Warehouse Status: Open
Coffee moments, delivered by the Coffee Parts team
Rewards
Track Your Package
Returns
Wholesale
Login
Search
Type / to search
Categories
No categories found
Trending Products
CP Recommended
Timemore Black Mirror Basic Plus Coffee Scale: Black
bb-timemore-black-mirror-plus-scale-black
EOFY20 | MHW Flash Constant Pressure Tamper 2.0: 58.35mm Walnut/Black
a-T6172T
Rocket TCA Appartamento Coffee Machine: Copper
m-rocket-appartamento-tca-copper
Rocket Boxer 2 Group Commercial Coffee Machines with shot timer (15A) Stainless
m-rocket-boxer-2gr-timer
CP Recommended
Mahlkönig X54 AllRound Home Grinder: Black
m-malh-x54
Products
No products found
View All Search Results
Same Day Dispatch
Order before 2pm AEST
1300 129 129
9am-5pm M-F AEST
Your Cart
Edit
You have no items in your shopping cart.
Brands
Top Brands
Acaia
Acme and Co
Aillio
Barista Hustle
Brewista
Cafelat
Cafetto
Clockwork
Coffee Catcha
Coffee Parts
Crema Pro
Decent Espresso
Espazzola
Espresso Gear
Espro
Frank Green
Friis
IMS
Joe Frex
Le Nuz du Cafe
Motta
Ohaus
Pallo
Pesado
Pullman
Reg Barber
Rhino
Rocket
Sol
Temp Tag
Tiamo
VST
Wormhole
WPM
Spare Parts
Home Parts
Baratza
Bezzera
Eureka
Gaggia
Isomac
Marzocco
Mazzer
Olympia
Pavoni
Rancilio
Rocket
Slayer
Vibiemme
Wega
Commercial Parts
Anfim
Astoria
Aurora
Bezzera
BFC
Boema
Brasilia
Brugnetti
Carimali
Cimbali
Conti
ECM
Elektra
Faema
Fiorenzato
Futurmat
Gaggia
Gino Rossi
Kees
La Marzocco
Leone
Macap
Mahlkoenig
Mazzer
Nuova Simonelli
Pavoni
Rancilio
Rocket
Royal
San Marco
San Marino
San Remo
Slayer
Slingshot
Spaziale
SSP
Synesso
Vibiemme
Victoria Arduino
Wega
Miscellaneous Parts
Anti-Vacuum Valves
Capacitors
Expansion Valves
Filter Baskets
Fittings
Flowmeters
Gauges
Grinder Blades
Group Head Seals
Group Head Spacers
Hoses
Indicator Lights
Machine Legs
Motors (Rotary)
Portafilters
Pressurestats
Pumps (Rotary)
Pumps (Vibrating)
Safety Valves
Shower Screens
Solenoids
Spouts (Group)
Switches
Thermostats
Water Level Probes
Coffee Brewer Parts
Accessories
Barista Tools
Blind Filters
Cleaning Brushes
Cleaning Products
Chocolate Shakers
Coffee Books
Coffee Storage
Cups & Glassware
Distribution & Dosing Tools
Filter Baskets
Knocking Tubes Cafe
Knocking Tubes Home
Milk Jugs
Milk Jugs Rinser
Miscellaneous
Portafilters
Reusable Coffee Cups
Spoons
Tampers
Automatic Tampers*
Tamping Mats & Stands
Thermometers
Manual Brew
Aeropress
Batch Brew
Camping Coffee*
Chemex
Cold Brew
Coffee Cups
Coffee Scales
Coffee Servers
Cupping Tools
Filter Papers
French Press
Gooseneck Kettles
Manual Grinders
Milk Frothers
Moka Pot / Stove Top
Portable Espresso
Pour Over
Pour Over Stands
Syphons
Tea Gear
Machines
Home Machines
Machines
Breville
Gaggia
Kees van der Westen
La Mazocco
Rancilio
Rocket
San Remo
Stone
Vibiemme
Victoria Arduino
Fully Auto
Melitta
Brewers
Bravilor
Breville
Moccamaster
Roasters
Aillio
GeneCafe
Kaffelogic
Commercial Machines
Machines
Kees van der Westen
La Marzocco
Rocket
Steam Units
WPM
Brewers
Moccamaster
Auto Tampers
Cinoart
PUQ
Slingshot
Grinders
Hand Grinders
1zpresso
Comandante
Kanso
Hario
Mazzer
Pietro
Porlex
Timemore
zeroHero
Wacaco
Home Grinders
Baratza
Breville
Coffee Tech
Eureka
Fellow
Fiorenzato
Mahlkonig
Mazzer
Stone
Timemore
Rancilio
Rocket
Commercial Grinders
Anfim
Bentwood
Ditting
Eureka
Fiorenzato
Mahlkonig
Mazzer
Slingshot
Timemore
Victoria Arduino
Water Filters
Brands
Brita
BWT
Everpure
Flojet
Lab Pua
Third Wave Water
By Category
Filter Heads
Filter Kits
Fittings and Hoses
Pre-Filters
Replacement Filters
Reverse Osmosis
Spare Parts
Water Boost Pumps
Water Tanks
Water Testing
Releases
Blog
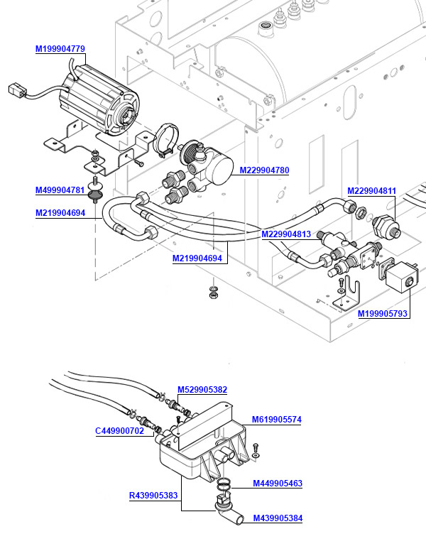
Rocket R9 Hydraulic Assembly
Rocket R9 Hydraulic Assembly
PARTS TO FIT ROCKET COFFEE MACHINES
Parts to Fit
Categories:
R9
4 payments of $0
Buy now, Pay Later
Details
Specs
Reviews
SKU
rocket-spare-parts-33
Rocket R9 Hydraulic Assembly
Brand
Rocket
Select Parts from the Diagram above, or from the list below
Gasket O-Ring 2031
to fit Rocket
SKU
RE-C449900702
Units
Each
Add to Wishlist
$
7
45
In Stock
Ready for Dispatch
1) qty--" >
Add
Pump motor
to fit Rocket
SKU
RE-M199904779
Units
Each
Add to Wishlist
$
343
00
Low Stock
Ready for Dispatch
1) qty--" >
Add
Fill Lucifer Solenoid valve with thin base
to fit Rocket
SKU
RE-M199905793
Units
Each
Add to Wishlist
$
143
00
Low Stock
Ready for Dispatch
1) qty--" >
Add
Pump hose
to fit Rocket
SKU
RE-M219904694
Units
Each
Add to Wishlist
$
75
20
Low Stock
Ready for Dispatch
1) qty--" >
Add
Pump 2 and 3 group
to fit Rocket
SKU
RE-M229904780
Units
Each
Add to Wishlist
$
232
00
Low Stock
Ready for Dispatch
1) qty--" >
Add
Water inlet connector
to fit Rocket
SKU
RE-M229904811
Units
Each
Add to Wishlist
$
104
00
Low Stock
Ready for Dispatch
1) qty--" >
Add
Drain tray
to fit Rocket
SKU
RE-M439905383
Units
Each
Add to Wishlist
$
73
20
Low Stock
Ready for Dispatch
1) qty--" >
Add
Elbow drain connector
to fit Rocket
SKU
RE-M439905384
Units
Each
Add to Wishlist
$
12
70
Low Stock
Ready for Dispatch
1) qty--" >
Add
O-Ring Drain Bucket
to fit Rocket
SKU
RE-M449905463
Units
Each
Add to Wishlist
$
8
30
In Stock
Ready for Dispatch
1) qty--" >
Add
Shock absorber
to fit Rocket
SKU
RE-M499904781
Units
Each
Add to Wishlist
$
22
90
Low Stock
Ready for Dispatch
1) qty--" >
Add
Diffuser
to fit Rocket
SKU
RE-M529905382
Units
Each
Add to Wishlist
$
45
90
Low Stock
Ready for Dispatch
1) qty--" >
Add
Drain tray complete
to fit Rocket
SKU
RE-R439905383
Units
Each
Add to Wishlist
$
121
00
Low Stock
Ready for Dispatch
1) qty--" >
Add
Search engine powered by
ElasticSuite